MxL83411

Quad RS-485 Receiver with IEC, ESD and EFT and Global Enable
Order Now

Overview

Information Quad RS-485 Receiver with IEC, ESD and EFT and Global Enable
Supported Protocols RS-422, RS-485
Supply Voltage (Nom) (V) 3.3, 5
No. of Tx 0
No. of Rx 4
Duplex -
Data Rate (MAX) (Mbps) 10
EFT (±kV) 2
HBM ESD (kV) 15
IEC 61000-4-2 Contact (±kV) 8
Rx Fail-Safe Standard
Multi-Drop Nodes 128
Fault Tolerance (V) -
VL Pin -
Temperature Range (°C) -40 to 85; -40 to 125
Package NSOIC-16, TSSOP-16
Upgrade/Alternate
Transient Tolerance (V) -
Enables
ICC (Max) (mA) 4
Shutdown -
Typ Shutdown Current (µA) -
Hot Swap
PROFIBUS (5V) or High Output (3V) -
Show more

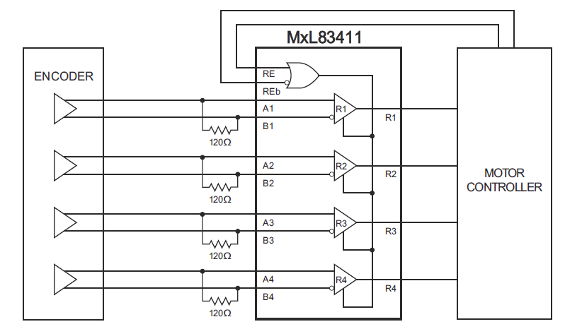
The MxL83411 is a family of monolithic quadruple differential line RS-485/RS-422 receivers that supports communication up to 10Mbps in harsh industrial environments. The bus pins tolerate IEC electrical fast transients (EFT), IEC electrostatic discharge (ESD), offer a wide input voltage range, and input hysteresis.
Guaranteed low propagation delays and channel-to-channel and part-to-part propagation delay skews ensure maximum system performance. Several package and operating temperature options coupled with wide power supply range support (from 3.3 to 5V) provide a versatile portfolio that can be used in applications ranging from high-speed motor drives to wireless infrastructure and building automation.
The integration of four receiver channels into compact TSSOP or NSOIC packages makes these products well suited to space constrained applications that require robust, high-performance communication. The MxL83411 device offers global enable pins, which allow all four channels to be enabled or disabled simultaneously. Industry standard footprint and pinout ensure seamless compatibility.

  • Meets or exceeds the requirements of the TIA/EIA-485A and EIA/TIA-422B standards
  • Supply voltage from 3.3V to 5V
  • Extended operating temperature range from –40°C to 125°C
  • Operational common-mode range of –7V to 12V
  • Fail-safe open receiver (Rx) inputs
  • 1/4 unit load (128 bus nodes)
  • Available in global enable configuration
  • High-data rates up to 10Mbps
  • Glitch-free power-up/power-down for hot plug-in capability
  • Channel-to-channel propagation delay skew of ±6ns
  • Robust system protection:
    • ±2kV EFT (IEC 61000-4-4)
    • ±8kV ESD Contact (IEC 61000-4-2)
    • ±15kV ESD Human Body Model

  • Industrial and process control equipment
  • Level translators
  • Telecommunication equipment
  • High-performance motor drives
  • Smart Grid
  • Industrial transport

Documentation & Design Tools

Type Title Version Date File Size
Data Sheets MxL83411 Quad RS-485/422 Receiver with IEC ESD and EFT R01 May 2024 1.1 MB
Application Notes Signaling Common Mode Voltage Operating Range Application Note R00 March 2025 2.3 MB
Application Notes RS-485 Transceivers in Fieldbus Networks R00 October 2024 2.4 MB
Application Notes Electric Fast Transient (EFT) Application Note R00 September 2024 2.5 MB
Application Notes AN-291, RS-485 Advanced Fail-Safe Feature R01 May 2023 3.7 MB
Application Notes RS-232 and RS-485 PCB Layout Application Note R00 December 2022 2.8 MB
Application Notes AN-292, RS-485 Cable Lengths vs Data Signaling Rate R01 July 2022 2.7 MB
User Guides & Manuals MxL83411 Quad Receiver EVK User Manual R00 November 2023 3.4 MB
Product Flyers MxL83411_MxL83433_MxL83434_MxL83435_MxL83436_MxL83437_MxL83438 Flyer R04 April 2025 889.6 KB
Product Brochures Serial Transceivers & Bridges Brochure R03 May 2025 3.6 MB

Quality & RoHS

Part Number RoHS | Exempt RoHS Halogen Free REACH TSCA MSL Rating / Peak Reflow Package
MXL83411E-ADA-R N Y Y Y Y L2 / 260ᵒC NSOIC16
MXL83411I-ADA-R N Y Y Y Y L2 / 260ᵒC NSOIC16
MXL83411E-AGA-R N Y Y Y Y L1 / 260ᵒC TSSOP16 OPT2
MXL83411I-AGA-R N Y Y Y Y L1 / 260ᵒC TSSOP16 OPT2

Click on the links above to download the Certificate of Non-Use of Hazardous Substances.

Additional Quality Documentation may be available, please Contact Support.

Parts & Purchasing

Part Number Pkg Code Min Temp Max Temp Status Buy Now Order Samples
MXL83411E-ADA-R NSOIC16 OPT2 -40 125 Active Order
MXL83411E-AGA-R TSSOP16 OPT2 -40 125 Active Order
MXL83411I-ADA-R NSOIC16 OPT2 -40 85 Active Order
MXL83411I-AGA-R TSSOP16 OPT2 -40 85 Active Order
MXL83411E-ADA-EVK-1 Kit Active
MXL83411E-AGA-EVK-1 Kit Active

Part Status Legend
Active - the part is released for sale, standard product.
EOL (End of Life) - the part is no longer being manufactured, there may or may not be inventory still in stock.
CF (Contact Factory) - the part is still active but customers should check with the factory for availability. Longer lead-times may apply.
PRE (Pre-introduction) - the part has not been introduced or the part number is an early version available for sample only.
OBS (Obsolete) - the part is no longer being manufactured and may not be ordered.
NRND (Not Recommended for New Designs) - the part is not recommended for new designs.

Packaging

Pkg Code Details Quantities Dimensions
TSSOP16 OPT2
  • JEDEC Reference: MO-153
  • MSL Pb-Free: L1 @ 260ºC
  • MSL SnPb Eutectic: n/a
  • ThetaJA:
  • Bulk Pack Style: Tube
  • Quantity per Bulk Pack: 95
  • Quantity per Reel: 2500
  • Quantity per Tube: 95
  • Quantity per Tray: n/a
  • Reel Size (Dia. x Width x Pitch): 330 x 12 x 8
  • Tape & Reel Unit Orientation: Quadrant 1
  • Dimensions: mm
  • Length: 5.00
  • Width: 4.40
  • Thickness: 1.2
  • Lead Pitch: 0.65
NSOIC16 OPT2
  • JEDEC Reference: MS-012
  • MSL Pb-Free: L2 @ 260ºC
  • MSL SnPb Eutectic: n/a
  • ThetaJA:
  • Bulk Pack Style: Tube
  • Quantity per Bulk Pack: 49
  • Quantity per Reel: 2500
  • Quantity per Tube: 49
  • Quantity per Tray: n/a
  • Reel Size (Dia. x Width x Pitch): 330 x 16 x 8
  • Tape & Reel Unit Orientation: Quadrant 1
  • Dimensions: mm
  • Length: 9.90
  • Width: 3.90
  • Thickness: 1.75
  • Lead Pitch: 1.27

FAQs & Support

Search our list of FAQs for answers to common technical questions.
For material content, environmental, quality and reliability questions review the Quality tab or visit our Quality page.
For ordering information and general customer service visit our Contact Us page.

Submit a Technical Support Question As a New Question

For RS-232 it is 50 feet (15 meters), or the cable length equal to a capacitance of 2500 pF, at a maximum transmission rate of 19.2kbps. When we reduce the baud rate, it allows for longer cable length. For Example:

 

Baud Rate (bps)

Maximum RS-232 Cable Length (ft)

19200

50

9600

500

4800

1000

2400

3000

 
For RS-485 / RS-422 the data rate can exceed 10Mbps depending on the cable length. A cable length of 15 meters (50 feet) will do a maximum of 10Mbps. A cable length of 1200 meters (4000 feet) will do a maximum of 90kbps over 24 AWG gauge twisted pair cable (with 10 pF/ft). Refer to Annex A TIA/EIA-422-B. Also refer the RS-485 Cable Lengths vs. Data Signaling Rate Application Note (AN-292).
 
 

Find the product page of the part that you want to get an evaluation board for and click on Parts & Purchasing. Example:


Product Page - Top Section


Click on Parts & Purchasing or Order Now. Locate the icons under Buy Now or Order Samples:

 

Parts & Purchasing section on Product Page


Click on the Buy Now icon and see who has stock and click on the Buy button:

 

Buy Now Button result - Purchase Parts Window

 

Alternatively, you can click on the Order Samples icon to request a sample.


Note, not all products are sampleable from the website.

 

Example of product with no sample or buy now icons

 

If the icons are missing, create a support ticket.

As RS-422/RS-485 uses differential signaling, it is more immune to noise and longer cables and/or high data rates can be used, especially in noisy environments. Also, RS-485 allows for multi-point operation, up to 32 unit loads. Transceivers may use a fraction of a unit load, increasing the number of devices on the bus. For example, the XR33152 receiver input impedance is at least 120 k, which equates to 1/10 of a unit load. Therefore, XR33152 allows more than 320 devices (32 x 10) on the bus.

Fail Safe is an attempt to keep the output of the RS-485 receiver to a known state. Transceivers may have standard fail safe or advanced / enhanced receiver fail safe features. Standard fail safe supports open inputs while enhanced fail safe transceivers such as the SP339 and XR34350 support open input, shorted input and undriven terminated lines without external biasing. See Application Note ANI-22 for more detail.

 

Figure 1:  Standard Failsafe Receiver Sensitivity Range
 


 

 
Figure 2: Standard Failsafe with Open Input
 
 
 
Figure 3: Enhanced Failsafe Receiver Sensitivity Range
 
 
 
Figure 4:  Enhanced Failsafe with Open Input
 
 
 
Figure 5:  Enhanced Failsafe with Shorted Input
 
 
 
Figure 6:  Enhanced Failsafe with Un-driven terminated lines
 
 
 

ESD tests are “destructive tests.” The part is tested until it suffers damage. Therefore parts cannot be 100% tested in production, instead a sample of parts are characterized during the product qualification. The test procedure consists of “zapping” pins with a given voltage using the appropriate model and then running the part through electrical tests to check for functionality or performance degradation.

ESD is caused by static electricity. In order for an ESD event to occur there must be a buildup of static charge. Very high charge levels are actually quite rare. In a normal factory environment, taking basic ESD precautions (grounding-straps, anti-static smocks, ionizers, humidity control, etc.) static levels can be kept below a few tens of volts. In an uncontrolled environment, like an office, static levels rarely get above 2000 volts. Under some worstcase conditions (wearing synthetic fabrics, rubbing against synthetic upholstered furniture, extremely low humidity)

levels can go as high as 12 to 15 thousand volts. Actually to get to 15000 volts or higher you would need to be in an uncomfortably dry environment (humidity below 10%) otherwise static charge will naturally dissipate through corona discharge. It would definitely be considered a “bad hair day.” Humans can generally feel a static shock only above 3000 volts. A discharge greater than 4000 volts can cause an audible “pop.” But repeated lower level discharges can be imperceptible and still may have a cumulative damaging effect on sensitive ICs. All ICs, even those with robust protection, can be damaged if they are hit hard enough or often enough.

Most ICs in a typical system are at greatest risk of ESD damage in the factory when the PCB is assembled and the system is being built. After the system is put together they are soldered onto the PCB and shielded within a metal or plastic system enclosure. Interface ICs are designed to attach to an external connector that could be exposed to ESD when a cable is plugged in or when a person or object touches the connector. These interface pins are most likely to see ESD exposure and therefore benefit from additional protection.

Visit the product page for the part you are interested in.  The part's status is listed in the Parts & Purchasing section.  You can also view Product Lifecycle and Obsolescence Information including PDNs (Product Discontinuation Notifications).

 

To visit a product page, type the part into the search window on the top of the MaxLinear website.

 

In this example, we searched for XR33180.  Visit the product page by clicking the part number or visit the orderable parts list by clicking "Orderable Parts". 

 

XR33180 Search Result

 

  

The Parts & Purchasing section of the product page shows the Status of all orderable part numbers for that product.  Click Show obsolete parts, to see all EOL or OBS products.

 

 Show Obsolete parts to expand the list

Yes, this is possible using one RS-485 transceiver. The microcontrollers will have to be addressable and have tri-state outputs. The RS-485 device can be controlled by the host via the DE/RE pin. The micros will have to be in either receiving mode or tri-state mode when the RS-485 transceiver is transmitting data. When the host transmits it will have to send an address to the specific micro. If any micro transmits the transceiver will have to be in receiving mode and all other micros will have to be in receive or tri-state. So the host would have to initiate this sequence by addressing the micro first then switch the transceiver to receive.

The half duplex system would have a bus with one transceiver and multiple microcontrollers all tied to the bus. For 5V systems the SP485 family can be used. For 3V systems the SP3070 family can be used. The require speed will determine the part number. The SP3078 part runs up to speeds of 16Mbps.  See the parametric search on https://www.exar.com/products/interface/serial-transceivers/rs485-422 for more options.

Care must be taken to assure the transceiver can drive the multiple micros in RX mode.

Actually the letter “E” could have two different meanings, depending on where it is in the part number. Most of our interface devices are available in different temperature grades. Commercial temperature (0 to 70C) has a “C” after the numeric part number. Industrial-extended temperature (-40 to +85C) use the letter E. So for example SP485CN is commercial and SP485EN is industrial. The second letter indicates the package type, in this case N for narrow-SOIC. Another E in the suffix indicates that this device has enhanced ESD protection, typically of ±15000Volts on the interface pins. Devices that do not have the enhanced ESD still contain built-in ESD protection of at least ±2000Volts. For example the SP485ECN is ESD rated up to ±15kV, and the SP485CN is rated for ±2kV HBM.

Videos

RS-485 Transceivers - Advance vs. Standard Failsafe

MaxLinear offers RS-485 transceivers with both standard and advanced receiver failsafe features. This video will show the main differences and advantages between advanced failsafe receivers and standard failsafe receivers in a typical RS485 installation.

Tips to Maintain a Successful RS-485 Link

This video provides four tips to help maintain RS-485 serial communication without data loss